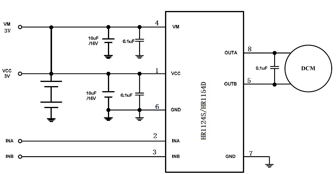
The HR1124S、HR1154D is a 1-channel H-bridge driver IC for DC motor application. It has the features of low stand-by current, low operating current, large current output and low RDSON. Those features make it suitable for toy.
When load motor with low internal resistance is in locked rotor or output is short-circuit, HR1124S、HR1154D output current will increase momentarily, power dissipation of the circuit will go up sharply, and the chip temperature will soar. But, when the chip temperature exceeds a maximum temperature point (typically 150℃) set by internal temperature protection circuit, the internal circuit will switch off the on-chip power switching transistor of It,and switch off load current, preventing potential safety hazards such as fuming, ligniting, etc. of plastic package caused by over-high temperature. Only after having confirmed that the circuit has returned to safety temperature, can the on-chip temperature hysteresis circuit be allowed to re-control the circuit.
特點 l channel H-bridge driver built-in power PMOS and NMOS. l The driver with forward, reverse, stop and brake function. l Low stand-by and operating current. l Low on-resistance. (0.3 Ω ), continuous current : HR1124S:1.2A(SOP8); HR1154D:1.5A(DIP8); Low voltage operation. Built-in thermal shutdown function. RoHS Compliant | Applications
|




